Le capteur d'altitude :
Le capteur d'altitude est composé d'un tube de pitot et d'un
capteur de pression avec son électronique associée. Nous
allons voir maintenant la partie électronique de ce capteur.
-
Le schéma électronique :
cliquez
dessus pour l'avoir en grand !
-
Les explications :
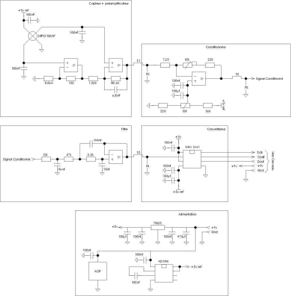
Ce schéma est assez imposant. Heureusement il est possible
de le décomposer en plusieurs parties élémentaires
:
-
Le capteur et le préconditionneur
-
Le conditionneur
-
Le filtre
-
Le convertisseur
-
L'alimentation et la référence de tension.
-
Le capteur et le préconditionneur
Nous avons choisi un capteur du type MpX2100Ap (Motorola) pour son
coût et sa très bonne disponibilité. Ce capteur sort
un signal différentielle. L'asymétrisation de ce signal fait
appel à 2 Aops (sur les 4 disponibles du TLp 274) et du montage
préconisé dans la documentation du capteur. Le signal de
sortie du montage est d'environ 2v/bar grâce au gain de 80 apporté.
-
Le conditionneur
Le conditionneur est basé autour d'un montage non-inverseur.
Les 2 potentiomètres présents permettent de régler
le gain et la tension d'offset.
-
Le filtre
Le filtre du capteur est un filtre actif du 3ème ordre. C'était
à l'origine un filtre de Butterworth dont les valeurs ont été
ajusté pour supprimer l'overshoot (Au final la réponse du
filtre doit être proche d'un filtre de Bessel).
-
Le convertisseur
Le convertisseur est un convertisseur 12bits à interface série
du type SpI (MAX1243). Nous avons choisi d'intégrer les convertisseurs
sur les cartes pour réduire les parasites.
-
L'alimentation et la référence de tension
L'alimentation de la logique du convertisseur fait appel à un
régulateur 5v (78L05). L'alimentation du capteur et les tensions
d'offset sont fournies par une référence de tension (AD584)
pour disposer d'un signal propre et stable à la sortie du capteur.
Bien sûr un nombre suffisant de condensateur de découplage
est présent pour parfaire le tout.
Vue de l'éléctronique du capteur d'altitude